When creating a 2D technical drawing for components with hole features, engineers must carefully consider their dimensioning strategy based on the assembly’s requirements.
This guide presents two contrasting methods for dimensioning holes in 2D technical drawings. Each method serves different engineering needs, depending on whether the priority lies with precise hole locations or with the accuracy of boundary features that mate with other components.
Understanding when to apply each method is crucial for ensuring components are manufactured to meet their intended assembly fit, and overall product functionality while maintaining reasonable tolerance requirements.
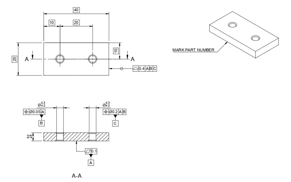
Example 1: Prioritising Hole Position
In Example 1, we focus primarily on precisely locating the holes rather than the outer edges of the component. This approach is best suited for assemblies where the exact position of holes is critical, but the component does not need to mate tightly with other parts through features like dowel pins, o-ring seals, or precise locating surfaces.

The clamping face will determine Datum A. In order to ensure we have good contact across this face applying a flatness form feature can be applied.
Our ‘master’ hole is positioned relative to Datum A. We want to control this to a tight tolerance to ensure its position/perpendicularity to Datum A.
Our ‘secondary’ hole(s) are then determined from datums A and B.
Lastly the boundary or component details can be held relative to Datums A, B & C. In the simple example given the bounding surfaces of the parts are controlled using a profile tolerance and theoretically exact dimensions (TED).
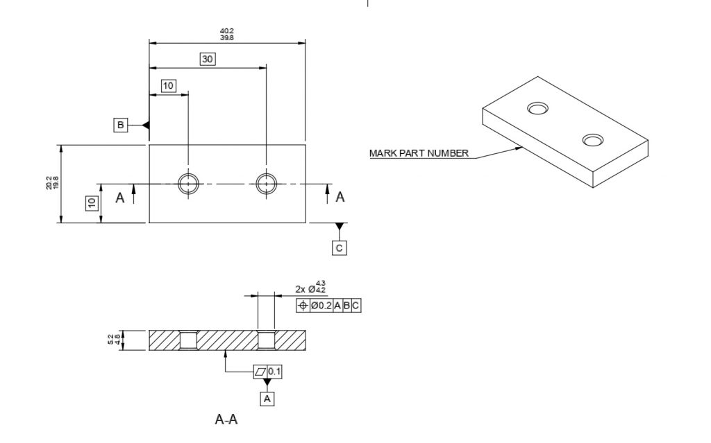
Example 2: Prioritising Boundary Position
In Example 2, we place a greater importance on the precise positioning of the component’s mating surfaces and features. This approach is ideal for assemblies requiring exact alignment through precision mating surfaces where tight tolerances are essential for proper component fit and function.

Similar to example 1, Datum A is determined by the clamping face and a flatness tolerance is applied to this.
Datums B and C are then determined by our mating features. In the simple example shown these features are the left hand and bottom surfaces of the plate. In more complex components these locating features might be an o-ring sealing bore/piston or other dowelling or locating features.
The thru holes can then be positioned relative to Datums A, B & C with a positional tolerance and theoretically exact dimensions (TED).
Leave a Reply
You must be logged in to post a comment.